Metal Injection Molding Examples, MIM Examples.

More than 10 Years of Metal Injection Molding MIM experience!.

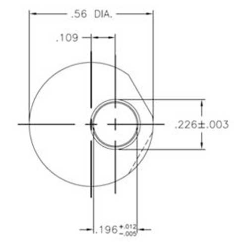
Very Small, midium and larger parts MIM, Metal injection molding, CNC and other manutacturing process. Stainless steel, Tungsten Tungsten Carbide, Brass and Bronze and OTHER VERY HARD to work with metals, small precision parts. BELOW ARE FEW RECEINTLY MANUFACTURES PARTS

We have wealth experience of weapon parts. We have produced more than 300 plus different kinds of weapon parts such as 5.56mm/ 7.62mm/.50 MG parts

Below is some of our samples for your reference.